초정밀 평면 연삭기
거친 연삭에서 정밀 연삭까지 광범위한 연삭조건을 충족시키며, V-V형 슬라이드 구조의 테이블로 저속과 고속에서도 고정밀 작업이 가능합니다.
SHD TYPE : 좌우 센서식 유압자동 / 전후 모터식 자동 / 상하 서보모터 자동절입
▶ 특징 / Features
- 효과적인 구조분석에 의한 높은 정밀도의 고강성 컬럼 구조
- 뛰어난 재질, 리브 보강, 아닐링 열처리를 통한 고강성 구조의 주철
- 엔코더(메모리설정)에 의한 컬럼 방향 전환
- V-V형 슬라이드 구조의 테이블로 저속과 고속에서의 고정밀 작업 실현
- 휠 헤드의 자동이송은 최대의 편의성을 제공
- 시스템은 위치 표시와 전자동 사이클에 대한 제어를 직관적이며 손쉽게 실행 (황삭량, 정삭량, 정삭절입시점, 스파크아웃작업, 사이클 정지 헤드 위치)
- 유압 탱크와 라디에이터(유온 조절 장치)가 본체로부터 분리되어 발열과 진동이 차 단됨으로 정밀도를 안정적으로 유지 (표준사양)
- 인체공학적 설계로 작업이 용이
- 근접센서에 의한 테이블 방향전환
- 거친 연삭에서 정밀 연삭까지 광범위한 연삭 조건 충족
- 자동 행정 간 현재 위치와 연삭 진행 상황을 표시
- 각 슬라이드면 자동 윤활
- 핸들을 기계 전면에 집중 배치
- 쉬운 조작을 위한 중앙 집중식 제어반
- 뛰어난 재질, 리브 보강, 아닐링 열처리를 통한 고강성 구조의 주철
- 엔코더(메모리설정)에 의한 컬럼 방향 전환
- V-V형 슬라이드 구조의 테이블로 저속과 고속에서의 고정밀 작업 실현
- 휠 헤드의 자동이송은 최대의 편의성을 제공
- 시스템은 위치 표시와 전자동 사이클에 대한 제어를 직관적이며 손쉽게 실행 (황삭량, 정삭량, 정삭절입시점, 스파크아웃작업, 사이클 정지 헤드 위치)
- 유압 탱크와 라디에이터(유온 조절 장치)가 본체로부터 분리되어 발열과 진동이 차 단됨으로 정밀도를 안정적으로 유지 (표준사양)
- 인체공학적 설계로 작업이 용이
- 근접센서에 의한 테이블 방향전환
- 거친 연삭에서 정밀 연삭까지 광범위한 연삭 조건 충족
- 자동 행정 간 현재 위치와 연삭 진행 상황을 표시
- 각 슬라이드면 자동 윤활
- 핸들을 기계 전면에 집중 배치
- 쉬운 조작을 위한 중앙 집중식 제어반
-
-
슬라이딩식 범위 조절장치
-
상하 서보모터 이송장치
-
3축 자동 조작반
▶ 사양 / Features
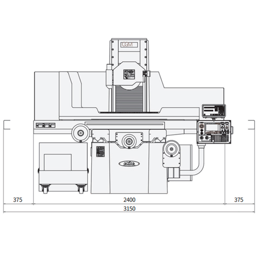
| 사양항목 | UNIT | MODEL | ||
|---|---|---|---|---|
| 640SHD | ||||
| 테이블 면적 | mm | 680 x 400 | ||
| 최대 이송거리 (좌우 x 전후) | mm | 760 x 480 | ||
| 전자석 크기 | mm | 600 x 400 | ||
| 주축 중심에서 테이블상면까지 최대거리 | mm | 610 | ||
| 테이블 (Table) | T 홈 사이즈 (폭x수) | mm | 18 x 3 n | |
| 좌우 이송속도 | m/min | 5 ~ 25 | ||
| 전 후 (Cross) | 전후 수동 이송 | 1눈금 | mm | 0.02 |
| 1회전 | mm | 4 | ||
| 전후 자동 이송 | 간헐 | mm/step | 0.03 ~ 10 | |
| 연속 | m/min | 0.1~1.0 | ||
| 전후 최대 급속 이송속도 | m/min | 1000 | ||
| 상 하 (Head) | 상하 수동 이송 | 1눈금 | mm/div | 0.005 |
| 1회전 | mm/rev | 1 | ||
| 상하 자동 절입량 | mm | 0.001 ~ 0.5 | ||
| 상하 급속 이송속도 | mm/min | 500 | ||
| 주 축 (Spindle) | 숫돌의 사양 | mm | ∅305 x 20~38t x ∅127 | |
| 주축 회전속도 (Revolutions per minute) | 50 Hz | rpm | 1450 | |
| 60 Hz | rpm | 1750 | ||
| 모 터 (Motor) | 주축 모터 | Kw | 3.75 x 4 P | |
| 유압 모터 | Kw | 1.5 x 6 P | ||
| 절삭유모터 | w | 200 | ||
| 흡진기모터 | Kw | 0.75 x 2P | ||
| 오일냉각모터 | Kw | 1.5 | ||
| 총 소요 전력 | Kw | 10 | ||
| 기계 중량 | Kg | 3900 | ||
| 포장 총중량 | Kg | 4200 | ||
| 점유 면적 ( 좌우 x 전후 x 상하 ) | mm | 3200 x 2100 x 2050 | ||
| 포장 면적 ( 좌우 x 전후 x 상하 ) | mm | 3500 x 2400 x 2450 | ||
※ 상기 사양과 치수 등은 품질 향상을 위해 예고없이 변경될 수 있습니다. Specifications and dimensions are subject to change without notice.
▶ 외형도 / Dimension
▶ 액세서리 / Accessories
| 기본 STANDARD | 옵션 OPTIONAL | ||
|---|---|---|---|
| 휠플렌지 | 1 PCS | 흡진기 | 연마바이스 |
| 해체볼트 | 1 PC | 디지털카운터 | 추가플렌지 |
| 밸런스대 | 1 SET | 라운드드레서 | 인버터 |
| 공구 및 공구박스 | 1 SET | 각도드레서 | |
| 전자척 | 1 PC | ||
| 절삭유장치 | 1 SET | ||
-
팬냉각식 저소음 유압탱크
-
좌우 연속급유 윤활장치
-
밸런스 테이블 (수평기 부착)
창한정밀기계공업(주) 고객센터
최고의 품질과 신뢰를 바탕으로 꾸준히 변화해도, 언제나 변함없는 사후관리 정직하고 투명한 창한정밀기계공업(주)의 기업이념입니다.
- 제품상담문의 : 031) 836-5427~9
- 이메일 : grinding@changhan.co.kr
- 상담시간 : 평일 - AM 09:00 ~ PM 06:00주말 및 공휴일 – 휴무



