초정밀 평면 연삭기
차별화된 스크래핑 처리와, 테이블 슬라이드에 특수강을 사용하여 최상의 정밀도를 유지합니다.
BS TYPE : 좌우 볼타입 슬라이드
▶ 특징 / Features
- 테이블 슬라이드에 특수강 사용(SKH-9)
- P4급 베어링을 사용한 카트리지 타입 정밀스핀들
- 열팽창과 마모성을 최소화한 열처리된 고급재질의 합금주물
- 고강성 기계구조
- 테이블 구동에 타이밍벨트 사용으로 와이어의 반영구적 수명
- 저진동, 무소음, 밀폐형 V3급 스핀들 모터
- 윤활자동급유장치와 완벽한 누유방지
- 상하미세이송장치 부착으로 정밀작업 용이
- 자기유지방식의 안정성이 우수한 콘트롤
- 높은 면조도를 보장하는 헤드드레서
- 절삭유의 오염을 방지하는 종이필터식 냉각장치(옵션)
- 차별화된 스크래핑으로 최상의 정밀도 유지
- P4급 베어링을 사용한 카트리지 타입 정밀스핀들
- 열팽창과 마모성을 최소화한 열처리된 고급재질의 합금주물
- 고강성 기계구조
- 테이블 구동에 타이밍벨트 사용으로 와이어의 반영구적 수명
- 저진동, 무소음, 밀폐형 V3급 스핀들 모터
- 윤활자동급유장치와 완벽한 누유방지
- 상하미세이송장치 부착으로 정밀작업 용이
- 자기유지방식의 안정성이 우수한 콘트롤
- 높은 면조도를 보장하는 헤드드레서
- 절삭유의 오염을 방지하는 종이필터식 냉각장치(옵션)
- 차별화된 스크래핑으로 최상의 정밀도 유지
-
무소음 저진동 모터
-
자동 윤활펌프
-
휠플렌지
-
초정밀 스핀들
▶ 사양 / Features
| 사양항목 | UNIT | MODEL | ||
|---|---|---|---|---|
| 200BS | ||||
| 테이블 면적 | mm | 150 x 440 | ||
| 최대 이송거리 (좌우 x 전후) | mm | 500 x 230 | ||
| 전자석 크기 | mm | 150 x 400 | ||
| 주축 중심에서 테이블상면까지 최대거리 | mm | 450 | ||
| 테이블 (Table) | 좌우 1회전당 이송량 | mm | 105 ~ 110 | |
| 전후 수동 이송 | 1눈금 | mm/div | 0.02 | |
| 1회전 | mm/rev | 5 | ||
| 상 하 (Head) | 상하 수동 이송 | 1눈금 | mm/div | 0.01 |
| 1회전 | mm/rev | 2 | ||
| 미세 이송 | 1눈금 | mm/div | 0.0005 | |
| 1회전 | mm/rev | 0.02 | ||
| 주 축 (Spindle) | 숫돌의 사양 | mm | ∅180 x 20t x ∅31.75 | |
| 주축 회전속도 | 50 Hz | rpm | 3000 | |
| 60 Hz | rpm | 3600 | ||
| 모 터 (Motor) | 주축 모터 | Kw | 1.5 | |
| 절삭유모터 | w | 60 | ||
| 흡진기모터 | Kw | 0.75 | ||
| 총 소요 전력 | Kw | 2.5 | ||
| 기계 중량 | Kg | 1100 | ||
| 점유 면적 ( 좌우 x 전후 x 상하 ) | mm | 1800 x 1400 x 1750 | ||
※ 상기 사양과 치수 등은 품질 향상을 위해 예고없이 변경될 수 있습니다. Specifications and dimensions are subject to change without notice.
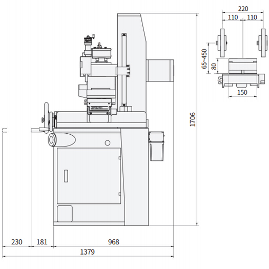
▶ 외형도 / Dimension
▶ 액세서리 / Accessories
| 기본 STANDARD | 옵션 OPTIONAL | ||
|---|---|---|---|
| 전자척 | 1 PC | 밸런스대 | 각도드레서 |
| 휠플렌지 | 3 PCS | 흡진기 | 연마바이스 |
| 해체볼트 | 1 PC | 절삭유장치 | 추가플렌지 |
| 헤드드레서 | 1 SET | 디지털카운터 | 인버터 |
| 밸런스아바 | 1 PC | 라운드드레서 | |
| 작업등 | 1 PC | ||
| 공구 및 공구박스 | 1 SET | ||
-
그립위치 조절식 핸들
-
테이블 스토퍼 및 매트
-
전후미세 이송장치
창한정밀기계공업(주) 고객센터
최고의 품질과 신뢰를 바탕으로 꾸준히 변화해도, 언제나 변함없는 사후관리 정직하고 투명한 창한정밀기계공업(주)의 기업이념입니다.
- 제품상담문의 : 031) 836-5427~9
- 이메일 : grinding@changhan.co.kr
- 상담시간 : 평일 - AM 09:00 ~ PM 06:00주말 및 공휴일 – 휴무



